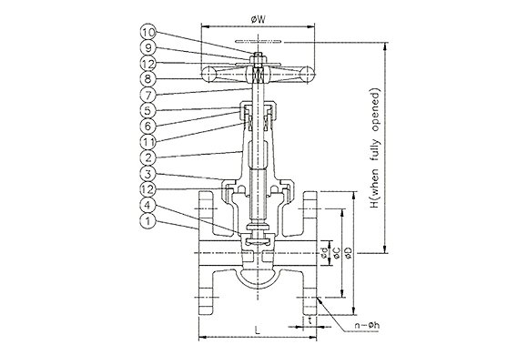
| Dimensions unit:mm | |||||||||||||
| Rating | SIZE | φd | L | H | FF Flange | φW | Weight (kg) | ||||||
| φD | φC | t | n—φh | ||||||||||
| 5K F7367 | 15A | 15 | 90 | 175 | 80 | 60 | 9 | 4-12 | 80 | 2.29 | |||
| 20A | 20 | 100 | 200 | 85 | 65 | 10 | 4-12 | 80 | 2.98 | ||||
| 25A | 25 | 110 | 220 | 95 | 75 | 10 | 4-12 | 100 | 4.10 | ||||
| 32A | 32 | 130 | 250 | 115 | 90 | 12 | 4-15 | 100 | 5.79 | ||||
| 40A | 40 | 140 | 290 | 120 | 95 | 12 | 4-15 | 125 | 7.78 | ||||
| 10K F7368 | 15A | 15 | 100 | 175 | 95 | 70 | 12 | 4-15 | 80 | 2.96 | |||
| 20A | 20 | 110 | 200 | 100 | 75 | 14 | 4-15 | 80 | 3.89 | ||||
| 25A | 25 | 120 | 220 | 125 | 90 | 14 | 4-19 | 100 | 5.82 | ||||
| 32A | 32 | 140 | 250 | 135 | 100 | 16 | 4-19 | 100 | 7.52 | ||||
| 40A | 40 | 150 | 290 | 140 | 105 | 16 | 4-19 | 125 | 9.71 | ||||
| Material List | |||
| NO. | Parts | Material | |
| 1 | Body | CAC406(BC6) | |
| 2 | Bonnet | CAC406(BC6) | |
| 3 | Disc | CAC406(BC6) | |
| 4 | Disc nut | CAC406(BC6) | |
| 5 | Packing gland | C3604 | |
| 6 | Packing gland nut | C3604 | |
| 7 | Stem | C3771 | |
| 8 | Handwheel | FC200 | |
| 9 | Hex.nut | C3604 | |
| 10 | Split pin | C2600 | |
| 11 | Packing | GRAPHITE | |
| 12 | Name plate | C2801orSUS304 | |
| Hydro.test pressure unit:kgf/cm² | |||||||||
| Rating | 5 | 10 | |||||||
| Shell | 10.5 | 21.0 | |||||||
| Seat | 7.7 | 15.4 | |||||||
| Max.working pressure unit:kgf/cm² | ||||||||
| Rating Fluid condition | 5 | 10 | ||||||
| Steam | 2 | 2 | ||||||
| Oil and pulsation water | 5 | 10 | ||||||
| Non shock water of 120℃ or less | 7 | 14 | ||||||
No. 7, inside No. 345, Linfu West Street, Yingdong Village, Beian Sub-district Office, Jimo District, Qingdao City, Shandong Province