| Dimensions unit:mm | |||||||||||||
| Rating | SIZE | φd | L | H | FF Flange | ||||||||
| φD | φC | t | n-φh | ||||||||||
| 5K | 50A | 50 | 190 | 97 | 130 | 105 | 16 | 4-15 | |||||
| 65A | 65 | 220 | 119 | 155 | 130 | 18 | 4-15 | ||||||
| 80A | 80 | 250 | 129 | 180 | 145 | 18 | 4-19 | ||||||
| 100A | 100 | 280 | 146 | 200 | 165 | 20 | 8-19 | ||||||
| 125A | 125 | 330 | 171 | 235 | 200 | 20 | 8-19 | ||||||
| 150A | 150 | 380 | 198 | 265 | 230 | 22 | 8-19 | ||||||
| 200A | 200 | 460 | 235 | 320 | 280 | 24 | 8-23 | ||||||
| 250A | 250 | 550 | 290 | 385 | 345 | 26 | 12-23 | ||||||
| 10K | 50A | 50 | 210 | 109 | 155 | 120 | 20 | 4-19 | |||||
| 65A | 65 | 240 | 126 | 175 | 140 | 22 | 4-19 | ||||||
| 80A | 80 | 270 | 136 | 185 | 150 | 22 | 8-19 | ||||||
| 100A | 100 | 300 | 153 | 210 | 175 | 24 | 8-19 | ||||||
| 125A | 125 | 350 | 180 | 250 | 210 | 24 | 8-23 | ||||||
| 150A | 150 | 400 | 205 | 280 | 240 | 26 | 8-23 | ||||||
| 200A | 200 | 480 | 242 | 330 | 290 | 26 | 12-23 | ||||||
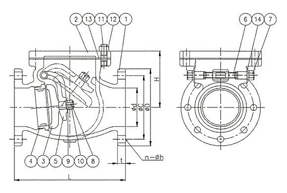
| Material List | |||
| NO. | Parts | Material | |
| 1 | Body | FC200 | |
| 2 | Bonnet | FC200 | |
| 3 | Disc | CAC406(BC6) | |
| 4 | Valve seat | CAC406(BC6) | |
| 5 | Arm | CAC406(BC6) | |
| 6 | Hinge pin | C3604 | |
| 7 | Plug | C3604 | |
| 8 | Hex.nut | C3604 | |
| 9 | Washer | C2801 | |
| 10 | Split pin | C2600 | |
| 11 | Stud bolt | SS400 | |
| 12 | Hex.nut | SS400 | |
| 13 | Gasket | NON ASBESTOS | |
| 14 | Gasket | PTFE | |
| Hydro.test pressure unit:kgf/cm² | |||||||||||||
| Rating | 5 | 10 | |||||||||||
| Hydraulic inspection for body | 10.5 | 21 | |||||||||||
| Watertight inspection for valve seat | 7.7to4 | 15.4to4 | |||||||||||
| Max.working pressure unit:kgf/cm² | |||||||||||||
| Rating Fluid condition | 5 | 10 | |||||||||||
| Oil and pulsation water | 5 | 10 | |||||||||||
| Non-shock water of 120℃ or less | 7 | 14 | |||||||||||
No. 7, inside No. 345, Linfu West Street, Yingdong Village, Beian Sub-district Office, Jimo District, Qingdao City, Shandong Province