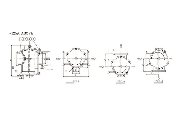
| Dimensions unit:mm | ||||||||||||||||||||||||||||||
| SIZE | φd | L | L1 | H | H1 | 5k FF Flange | ||||||||||||||||||||||||
| φD | φC | t | n-φh | |||||||||||||||||||||||||||
| 25A | 25 | 170 | 85 | 180 | 75 | 95 | 75 | 14 | 4-12 | |||||||||||||||||||||
| 32A | 32 | 190 | 95 | 215 | 85 | 115 | 90 | 16 | 4-15 | |||||||||||||||||||||
| 40A | 40 | 190 | 95 | 215 | 85 | 120 | 95 | 16 | 4-15 | |||||||||||||||||||||
| 50A | 50 | 200 | 100 | 240 | 100 | 130 | 105 | 16 | 4-15 | |||||||||||||||||||||
| 65A | 65 | 250 | 125 | 305 | 152 | 155 | 130 | 18 | 4-15 | |||||||||||||||||||||
| 80A | 80 | 270 | 135 | 340 | 154 | 180 | 145 | 18 | 4-19 | |||||||||||||||||||||
| 100A | 100 | 320 | 160 | 400 | 185 | 200 | 165 | 20 | 8-19 | |||||||||||||||||||||
| Dimensions unit:mm | ||||||||||||||||||||||||||||||
| SIZE | φd | L | L1 | H | H1 | 5k FF Flange | A | B | P | P1 | t1 | φh1 | ||||||||||||||||||
| φD | φC | t | n-φh | |||||||||||||||||||||||||||
| 125A | 125 | 400 | 200 | 485 | 235 | 235 | 200 | 20 | 8-19 | 120 | 65 | 260 | 80 | 18 | 19 | |||||||||||||||
| 150A | 150 | 460 | 230 | 575 | 290 | 265 | 230 | 22 | 8-19 | 130 | 70 | 310 | 90 | 20 | 19 | |||||||||||||||
| 200A | 200 | 550 | 275 | 665 | 350 | 320 | 280 | 24 | 8-23 | 150 | 85 | 380 | 100 | 22 | 23 | |||||||||||||||
| 250A | 250 | 680 | 340 | 825 | 450 | 385 | 345 | 26 | 12-23 | 200 | 100 | 480 | 140 | 24 | 25 | |||||||||||||||
| 300A | 300 | 760 | 380 | 920 | 515 | 430 | 390 | 28 | 12-23 | 220 | 100 | 540 | 160 | 24 | 25 | |||||||||||||||
| 350A | 335 | 820 | 410 | 1030 | 575 | 480 | 435 | 30 | 12-25 | 240 | 105 | 590 | 180 | 26 | 25 | |||||||||||||||
| 400A | 380 | 880 | 440 | 1135 | 645 | 540 | 495 | 30 | 16-25 | 260 | 110 | 650 | 200 | 26 | 25 | |||||||||||||||
| Material List | |||||||||||
| NO. | Part | Material | |||||||||
| 1 | Body | FC200 | |||||||||
| 2 | Cover | FC200 | |||||||||
| 3 | Eye bolt | SF440 | |||||||||
| 4 | Hinge bolt | SS400 | |||||||||
No. 7, inside No. 345, Linfu West Street, Yingdong Village, Beian Sub-district Office, Jimo District, Qingdao City, Shandong Province