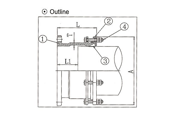
| NO | NAME OF PART | Q’TY | STANDARD MATERIAL | ||||||
| 1 | BODY | 1 | FCD450,SUS304/316 | ||||||
| 2 | FOLLOWER | 2 | FCD450,SUS304/316 | ||||||
| 3 | PACKING | 2 | N.B.R,VITON,TEFLON | ||||||
| 4 | BOLT/NUT | 3-16 | SS400,SUS304/316 | ||||||
| Dimensions unit:mm | |||||||||||||||
| SIZE | PIPE 0.D | L | A | L1 | N-Φd | WEIGHT | |||||||||
| 5k | 10k | 16k | 5k | 10k | 16k | ||||||||||
| 40A | 48.6 | 170 | 176 | 176 | 118 | 100 | 3-15 | 4.6 | 5.6 | 5.6 | |||||
| 50A | 60.5 | 170 | 176 | 176 | 132 | 100 | 3-15 | 5.9 | 6.9 | 6.9 | |||||
| 65A | 76.3 | 176 | 180 | 180 | 149 | 100 | 4-15 | 7.7 | 9.1 | 9.1 | |||||
| 80A | 89.1 | 179 | 183 | 185 | 176 | 100 | 4-19 | 9.8 | 11.1 | 12.3 | |||||
| 100A | 114.3 | 182 | 184 | 188 | 204 | 101 | 4-19 | 12.5 | 13.5 | 16.4 | |||||
| 125A | 139.8 | 187 | 191 | 193 | 230 | 101 | 6-19 | 15.4 | 17.4 | 21.7 | |||||
| 150A | 165.2 | 192 | 196 | 198 | 262 | 102 | 6-19 | 22.6 | 25.1 | 28.3 | |||||
| 200A | 216.3 | 197 | 199 | 203 | 320 | 104 | 6-19 | 32.5 | 34.2 | 38.4 | |||||
| 250A | 267.4 | 200 | 202 | 206 | 373 | 105 | 8-19 | 42.5 | 45.6 | 52.8 | |||||
| 300A | 318.5 | 201 | 203 | 209 | 426 | 105 | 8-19 | 49.8 | 53.1 | 63.7 | |||||
| 350A | 355.6 | 203 | 205 | 213 | 466 | 107 | 10-19 | 58.9 | 62 | 80 | |||||
| 400A | 406.4 | 203 | 207 | 217 | 520 | 10-19 | 68.7 | 76.3 | 99.4 | ||||||
| 450A | 457.2 | 205 | 211 | 221 | 578 | 12-19 | 81.5 | 91.3 | 121.9 | ||||||
| 500A | 508.0 | 207 | 213 | 225 | 634 | 12-19 | 93.7 | 105.9 | 142.9 | ||||||
| 550A | 558.8 | 209 | 215 | 227 | 686 | 14-19 | 108.4 | 124.4 | 165.6 | ||||||
| 600A | 609.6 | 209 | 215 | 229 | 736 | 14-19 | 117.2 | 134.3 | 182.6 | ||||||
| 650A | 660.4 | 209 | 217 | 231 | 790 | 16-19 | 128.8 | 149 | 201.4 | ||||||
| 700A | 711.2 | 209 | 217 | 233 | 842 | 16-19 | 138.4 | 164 | 229.7 | ||||||
| 750A | 762.0 | 211 | 219 | 235 | 894 | 16-19 | 159 | 186.5 | 257 | ||||||
| 800A | 812.8 | 211 | 219 | 237 | 948 | 16-19 | 177.6 | 207.6 | 277.6 | ||||||
No. 7, inside No. 345, Linfu West Street, Yingdong Village, Beian Sub-district Office, Jimo District, Qingdao City, Shandong Province